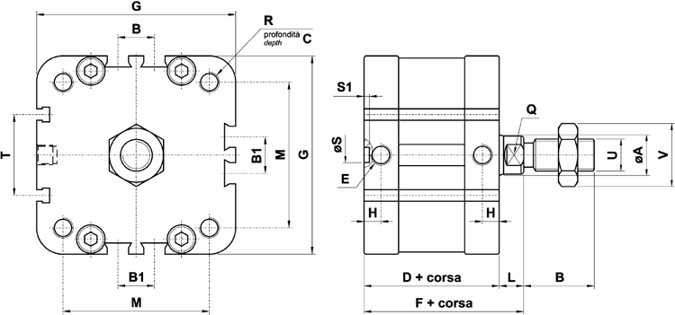
Cilindri compatti - stelo maschio

| ø | A | B | C | D | E | F* | G | H | L* | M | Q | R | S | S1 | U | V | |||
| ISO | UNITOP | ISO | UNITOP | ISO | UNITOP | ||||||||||||||
| 32 | 12 | 22 | 14 | 46 | G1/8" | 53 | 46 | 46 | 7 | 7 | 32.3 | 32.3 | ch 10 | M6 | M6 | 6 | 2.5 | M10x1.25 | ch 17 |

| ø | A | B | C | D | E | F* | G | H | L* | M | Q | R | S | S1 | T | U | V | |||
| ISO | UNITOP | ISO | UNITOP | ISO | UNITOP | |||||||||||||||
| 40 | 12 | 22 | 14 | 46 | G1/8" | 53 | 55 | 55 | 6.5 | 7 | 38 | 42 | ch 10 | M6 | M6 | 6 | 2.5 | 22 | M10x1.25 | ch 17 |
| 50 | 16 | 24 | 16 | 50 | G1/8" | 58 | 64.5 | 64.5 | 8 | 8 | 46.5 | 50 | ch 13 | M8 | M8 | 6 | 2.5 | 24 | M12x1.25 | ch 19 |
| 63 | 16 | 24 | 16 | 53 | G1/8" | 61 | 78 | 78 | 8 | 8 | 56.5 | 62 | ch 13 | M8 | M10 | 6 | 2.5 | 29 | M12x1.25 | ch 19 |

| ø | A | B | B1 | C | D | E | F* | G | H | L* | M | Q | R | S | S1 | T | U | V | |||
| ISO | UNITOP | ISO | UNITOP | ISO | UNITOP | ||||||||||||||||
| 80 | 20 | 32 | 18 | 17 | 56 | G1/8" | 66 | 99 | 99 | 8 | 10 | 72 | 82 | ch 17 | M10 | M10 | 8 | 4 | 40 | M16x1.5 | ch 24 |
| 100 | 25 | 40 | 28 | 17.5 | 67 | G1/4" | 77 | 119 | 119 | 9 | 10 | 89 | 103 | ch 22 | M10 | M10 | 8 | 4 | 40 | M20x1.5 | ch 30 |