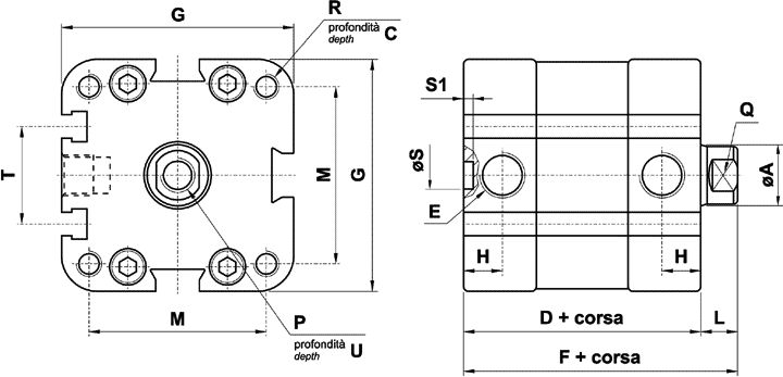
Cilindri compatti - stelo femmina
![]()
alesaggio 32

ø
A
C
D
E
F*
G
H
L*
M
P
Q
R
S
S1
U
ISO
UNITOP
ISO
UNITOP
ISO
UNITOP
32
12
14
46
G1/8"
53
46
46
7
7
32.3
32.3
M8
ch 10
M6
M6
6
2.5
13.5
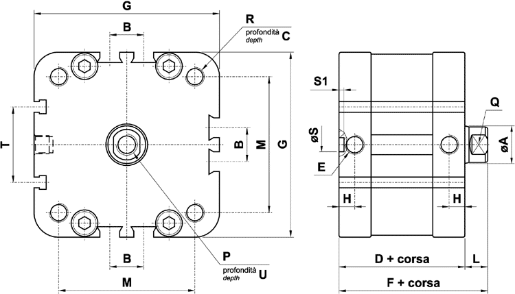
alesaggio 40 - 50 - 63

ø
A
C
D
E
F*
G
H
L*
M
P
Q
R
S
S1
T
U
ISO
UNITOP
ISO
UNITOP
ISO
UNITOP
40
12
14
46
G1/8"
53
55
55
6.5
7
38
42
M8
ch 10
M6
M6
6
2.5
22
13.5
50
16
16
50
G1/8"
58
64.5
64.5
8
8
46.5
50
M10
ch 13
M8
M8
6
2.5
24
16
63
16
16
53
G1/8"
61
78
78
8
8
56.5
62
M10
ch 13
M8
M10
6
2.5
29
16
alesaggio 80 - 100

ø
A
B
C
D
E
F*
G
H
L*
M
P
Q
R
S
S1
T
U
ISO
UNITOP
ISO
UNITOP
ISO
UNITOP
80
20
18
17
56
G1/8"
66
99
99
8
10
72
82
M10
ch 17
M10
M10
8
4
40
20
100
25
28
17.5
67
G1/4"
77
119
119
9
10
89
103
M12
ch 22
M10
M10
8
4
40
24
F* ; L* : In caso di cilindro semplice effetto molla posteriore aggiungere la lunghezza della corsa.
F* ; L* : In case of single acting cylinder with back spring add stroke length.
pag. precedente