Cilindri compatti - stelo femmina - stelo passante

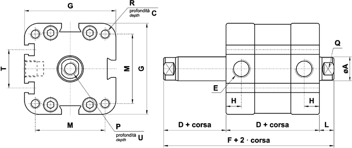
| ø | A | C | D | E | F | G | H | L | M | P | Q | R | U | |||
| ISO | UNITOP | ISO | UNITOP | ISO | UNITOP | |||||||||||
| 32 | 12 | 14 | 46 | G1/8" | 60 | 46 | 46 | 7 | 7 | 32.3 | 32.3 | M8 | ch 10 | M6 | M6 | 13.5 |

| ø | A | C | D | E | F | G | H | L | M | P | Q | R | T | U | |||
| ISO | UNITOP | ISO | UNITOP | ISO | UNITOP | ||||||||||||
| 40 | 12 | 14 | 46 | G1/8" | 60 | 55 | 55 | 6.5 | 7 | 38 | 42 | M8 | ch 10 | M6 | M6 | 22 | 13.5 |
| 50 | 16 | 16 | 50 | G1/8" | 66 | 64.5 | 64.5 | 8 | 8 | 46.5 | 50 | M10 | ch 13 | M8 | M8 | 24 | 16 |
| 63 | 16 | 16 | 53 | G1/8" | 69 | 78 | 78 | 8 | 8 | 56.5 | 62 | M10 | ch 13 | M8 | M10 | 29 | 16 |

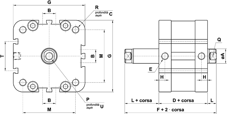
| ø | A | B | C | D | E | F | G | H | L | M | P | Q | R | T | U | |||
| ISO | UNITOP | ISO | UNITOP | ISO | UNITOP | |||||||||||||
| 80 | 20 | 18 | 17 | 56 | G1/8" | 76 | 99 | 99 | 8 | 10 | 72 | 82 | M10 | ch 17 | M10 | M10 | 40 | 20 |
| 100 | 25 | 28 | 17.5 | 67 | G1/4" | 87 | 119 | 119 | 9 | 10 | 89 | 103 | M12 | ch 22 | M10 | M10 | 40 | 24 |