logo







pdf

Left hand header


Left hand header


Left hand header
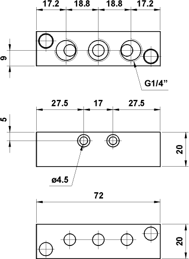
TS751

It is sold in kit with all necessary pieces for installation.

AUTOCAD ver 14. DWG

JPG  

ACIS - SAT

STEP




Right hand header


Right hand header


Right hand header
TD751

It is sold in kit with all necessary pieces for installation.

AUTOCAD ver 14. DWG

JPG  

ACIS - SAT

STEP



previous page