logo







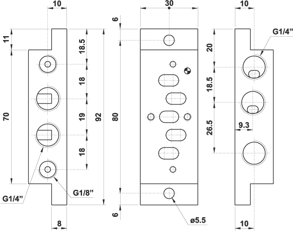
Individual sub-base


Individual sub-base
Individual sub-base
BS951



pdf

previous page