10.020.3
Pneumatic positioning system


Valve operation
This device allows the positioning of a pneumatic cylinder with good accuracy and repeatability. It can stop the cylinder in any position, provided that the cylinder has good friction characteristics with no leaking. The electrical actuation does not require electronic interfaces, but only two on-off signals. The device is equipped with regulators to moderate the movement speed. The exhausts can be regulated and silenced. The device can work with very good results with cylinders from bore 20 to bore 63.
It is recommended to eliminate any leaks in the cylinder and connections, as they may affect the accuracy of the operation, and to minimize friction and pressure losses in the pneumatic circuit.
In order to avoid uncontrollable movement speed, it is necessary to pressurize the cylinder before operating it. This positioning system may no perform any security function and is not suitable for it.
technical data
- Ports: threads G1/4"
- Temperature range: max +60°C
- Working pressure: 6 ... 8 bar
- Fluid: 50µ filtered, lubricated or non lubricated air
Materials
- Body: aluminium 11S
- Seals: NBR
- Springs: stainless steel
- Spools: nickel plated aluminium
- Internal parts: brass OT58
Repeatability in mm +/- with a speed of 100 mm/s at 6 bar
Minimum travel time at full load (15% of the nominal power at 6 bar)
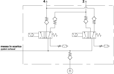
application sketch
The product is sold without coils, which is bought separately.
previous page