Piedino 

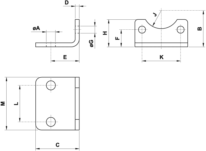
| part number* | for bore | A | B | C | D | E | F | G | H | J | K | L | M |
| PBIS032 | 32 | 7 | 32 | 35 | 4 | 24 | 15.75 | 7 | 30 | 15 | 32.5 | 32 | 45 |
| PBIS040 | 40 | 9 | 36 | 36 | 4 | 28 | 17 | 7 | 30 | 17.5 | 38 | 36 | 52 |
| PBIS050 | 50 | 9 | 45 | 47 | 5 | 32 | 21.75 | 9 | 36 | 20 | 46.5 | 45 | 65 |
| PBIS063 | 63 | 9 | 50 | 45 | 5 | 32 | 21.75 | 9 | 35 | 22.5 | 56.5 | 50 | 75 |
| PBIS080 | 80 | 12 | 63 | 55 | 6 | 41 | 27 | 11 | 47 | 22.5 | 72 | 63 | 95 |
| PBIS100 | 100 | 14 | 71 | 57 | 6 | 41 | 26.5 | 11 | 53 | 27.5 | 89 | 75 | 115 |
| PBIS125 | 125 | 16 | 90 | 70 | 8 | 45 | 35 | 14 | 70 | 30 | 110 | 90 | 140 |
| PBIS160 | 160 | 18 | 115 | 75 | 9 | 60 | 45 | 18 | 100 | 32.5 | 140 | 115 | 180 |
| PBIS200 | 200 | 22 | 135 | 100 | 12 | 70 | 47.5 | 18 | 100 | 37.5 | 175 | 135 | 220 |
| model |
AUTOCAD ver 14. DWG |
JPG |
ACIS - SAT |
STEP |
|
PBIS032 |
|
|
||
| PBIS040 |
|
|
||
| PBIS050 |
|
|
||
| PBIS063 |
|
|
||
| PBIS080 |
|
|
||
| PBIS100 |
|
|
||
| PBIS125 |
|
|
||
| PBIS160 |
|
|
||
| PBIS200 |
|
|