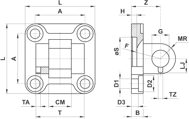
Cerniera femmina stretta per articolazione con testina snodata DIN 648 K

| part number | for bore | L | T | CM | A | Z | H | B | D3 | S | G | MR | D1 | D2 | TA | TZ | LJ | F |
| CFSIS032 | 32 | 45 | 34 | 14 | 32.5 | 22 | 5 | 9 | 5.5 | 30 | ø10 | 10 | ø6.6 | ø11 | 3 | 3.3 | 11.5 | 17 |
| CFSIS040 | 40 | 52 | 40 | 16 | 38 | 25 | 5 | 9 | 5.5 | 35 | ø12 | 12 | ø6.6 | ø11 | 4 | 4.3 | 12 | 20 |
| CFSIS050 | 50 | 65 | 45 | 21 | 46.5 | 27 | 5 | 11 | 6.5 | 40 | ø16 | 14 | ø9 | ø15 | 4 | 4.3 | 14 | 22 |
| CFSIS063 | 63 | 75 | 51 | 21 | 56.5 | 32 | 5 | 11 | 6.5 | 45 | ø16 | 18 | ø9 | ø15 | 4 | 4.3 | 14 | 25 |
| CFSIS080 | 80 | 95 | 65 | 25 | 72 | 36 | 5 | 14 | 10 | 45 | ø20 | 20 | ø11 | ø18 | 4 | 4.3 | 16 | 30 |
| CFSIS100 | 100 | 115 | 75 | 25 | 89 | 41 | 5 | 14 | 10 | 55 | ø20 | 22 | ø11 | ø18 | 4 | 6.3 | 16 | 32 |
| CFSIS125 | 125 | 140 | 97 | 37 | 110 | 50 | 7 | 20 | 10 | 60 | ø30 | 25 | ø14 | ø20 | 6 | 6.3 | 24 | 42 |
| CFSIS160 | 160 | 180 | 122 | 43 | 140 | 55 | 7 | 20 | 10 | 65 | ø35 | 30 | ø18 | ø26 | 6 | 6.3 | 26.5 | 46 |
| CFSIS200 | 200 | 220 | 122 | 43 | 175 | 60 | 7 | 25 | 11 | 75 | ø35 | 30 | ø18 | ø26 | 6 | 6.3 | 26.5 | 49 |