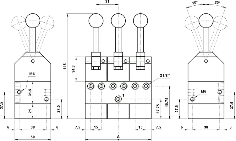
blocchi di valvole 5/3 1/8" centri apertileva in testa, ritorno al centro Alimentazione unica Blocchi speciali a richiesta modellonumero posizioniA 00.163.4261 00.160.4392 00.164.44123 00.130.45154 00.163.4 AUTOCAD ver 14. DWG JPG ACIS - SAT STEP 00.160.4 AUTOCAD ver 14. DWG JPG ACIS - SAT STEP 00.164.4 AUTOCAD ver 14. DWG JPG ACIS - SAT STEP technical data previous page
Alimentazione unica Blocchi speciali a richiesta modellonumero posizioniA 00.163.4261 00.160.4392 00.164.44123 00.130.45154 00.163.4 AUTOCAD ver 14. DWG JPG ACIS - SAT STEP 00.160.4 AUTOCAD ver 14. DWG JPG ACIS - SAT STEP 00.164.4 AUTOCAD ver 14. DWG JPG ACIS - SAT STEP technical data previous page
00.163.4 AUTOCAD ver 14. DWG JPG ACIS - SAT STEP
AUTOCAD ver 14. DWG
JPG
ACIS - SAT
STEP
00.160.4 AUTOCAD ver 14. DWG JPG ACIS - SAT STEP
00.164.4 AUTOCAD ver 14. DWG JPG ACIS - SAT STEP
technical data previous page