10.003.3
Slow-start valve
with exhaust feature


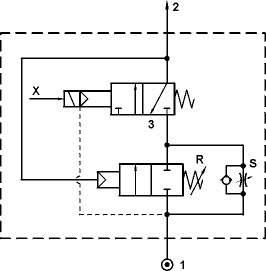
Valve operation
The slow-start valve is a very compact and sensitive in-line valve which is designed to apply pressure to a pneumatic circuit in two phases.
(a) When the pilot solenoid valve (X) is energized a progressively increasing pressure is applied to the circuit over a period of time set by screw (S). The progressive start pressure is set by adjusting screw (R - max 4 bar)..
(b) Once the set pressure (screw R) has been reached, the slow-start valve begins to automatically feed the circuit with the system pressure.
When the solenoid is de-energized the system pressure is exhausted without disconnecting system pressure at point 1.
technical data
- Ports: threads G1/4"
- Maximum flow rate in the phase (a): 300 Nl/min
- Flow rate in the phase (b): see graphic
- Temperature range: max +60°C
- Working pressure: 2 ... 10 bar
- Fluid: 50µ filtered, lubricated or non lubricated air
Materials
- Body: aluminium 11S
- Seals: NBR
- Springs: stainless steel
- Spools: nickel plated aluminium
- Internal parts: brass OT58
Flow rate (phase b)
The product is sold without coil, which is bought separately.
previous page