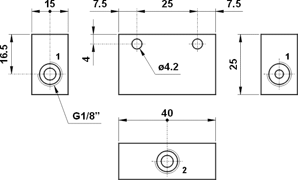
08.121.4
In-line 1/8 AND element

technical data
- Ports: G1/8"
- Temperature range: max +60°C
- Working pressure: 2 ... 10 bar
- Fluid: 50µ filtered, lubricated or non lubricated air
Materials
- Body: aluminium 11S
- Seals: NBR
- Internal parts: brass OT58
previous page