logo 751 EE 00     12V DC
751 EE 01     24V DC
751 EE 02     24V 50/60Hz
751 EE 03     110V 50/60Hz
751 EE 04     220V 50/60Hz


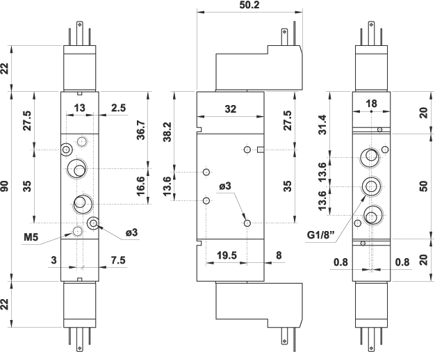
751 EE

751 EE

symbol technical data
previous page

 

AUTOCAD ver 14. DWG

JPG  

ACIS - SAT

STEP



pdf