logo 731 EE AS 00     12V DC
731 EE AS 01     24V DC
731 EE AS 02     24V 50/60Hz
731 EE AS 03     110V 50/60Hz
731 EE AS 04     220V 50/60Hz


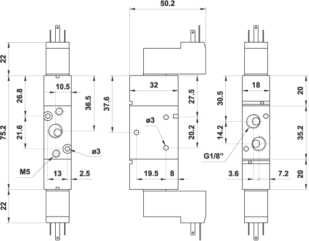
731 EE AS

731 EE AS

symbol technical data
previous page

 

AUTOCAD ver 14. DWG

JPG  

ACIS - SAT

STEP



pdf