logo 731 CFP





731 CFP

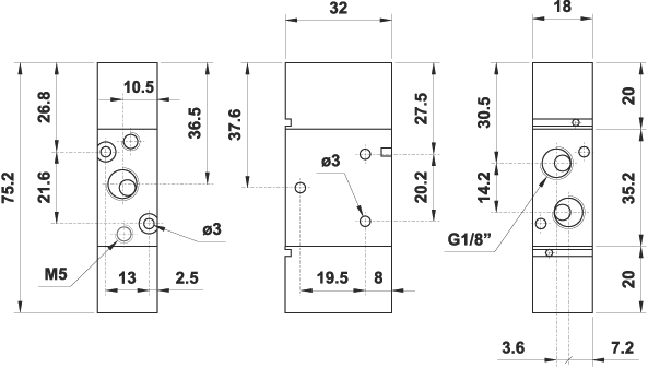
731 CFP


symbol technical data
previous page


pdf

 

 

AUTOCAD ver 14. DWG

JPG  

ACIS - SAT

STEP