logo 5223C EE MIC 01    24V DC
5223C EE MIC 02    24V 50/60Hz


5223C EE MIC

5223C EE MIC

symbol

La valvola è venduta con elettropilota/i montato/i.
Only aluminium version

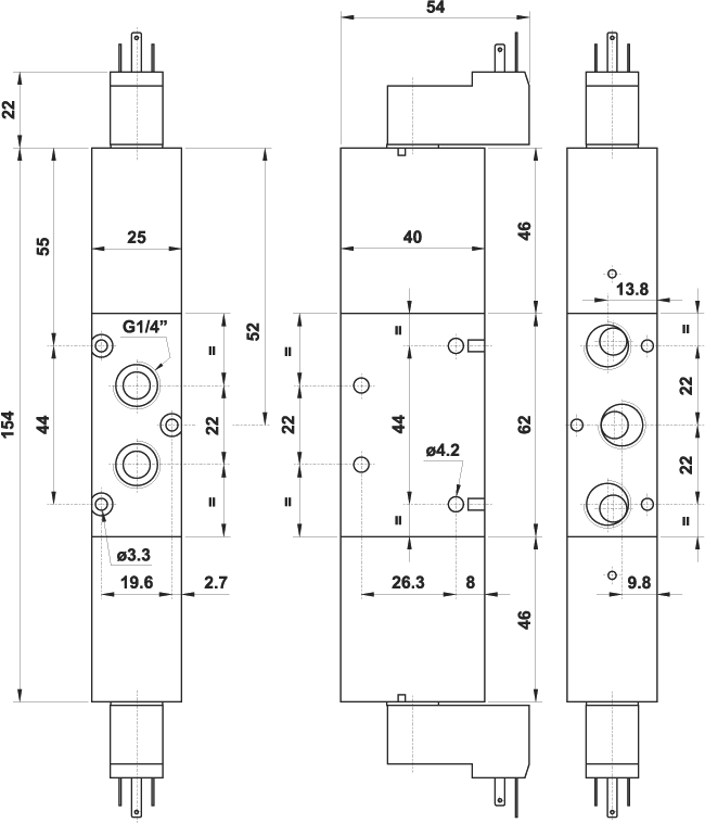
technical data
previous page


pdf