logo 522 MCS




522 MCS




























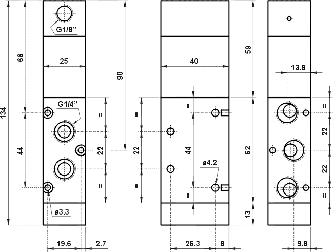
symbol technical data
previous page


pdf

 

AUTOCAD ver 14. DWG

JPG  

ACIS - SAT

STEP