logo

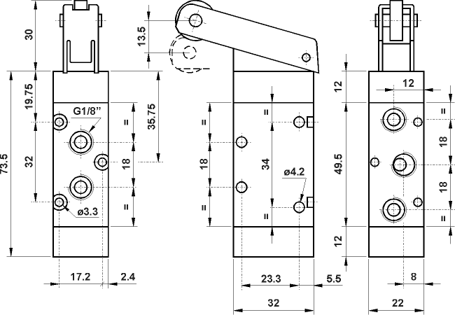
521 MR




521 MR




























photo symbol

pdf

      Actuating force: 9.81 N

      technical data
      previous page

 

 

 

 

 

 

AUTOCAD ver 14. DWG

JPG  

ACIS - SAT

STEP