logo

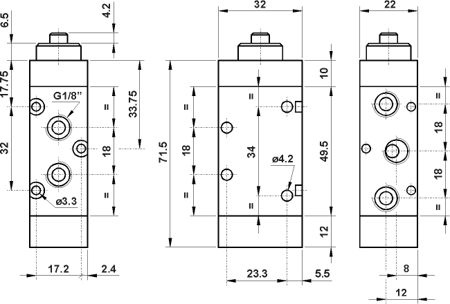
521 MP


521 MP





symbol

pdf

         Actuating force: 32.36 N

        technical data
        previous page

 

 

 

 

 

AUTOCAD ver 14. DWG

JPG  

ACIS - SAT

STEP