logo 521 ME MIC 01    24V DC
521 ME MIC 02    24V 50/60Hz


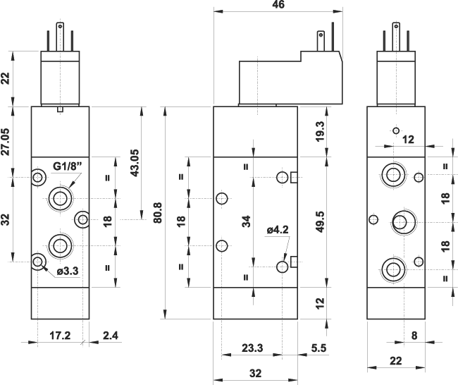
521 ME MIC

521 ME MIC

symbol

La valvola è venduta con elettropilota/i montato/i.

technical data
previous page


pdf