logo 521 ME90 L




521 ME90 L




































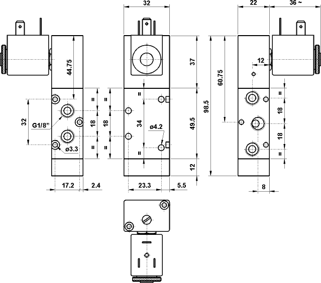
photo symbol       technical data
      previous page


pdf

 

 

 

 

AUTOCAD ver 14. DWG

JPG  

ACIS - SAT

STEP