logo 521 MCQ




521 MCQ




photo symbol

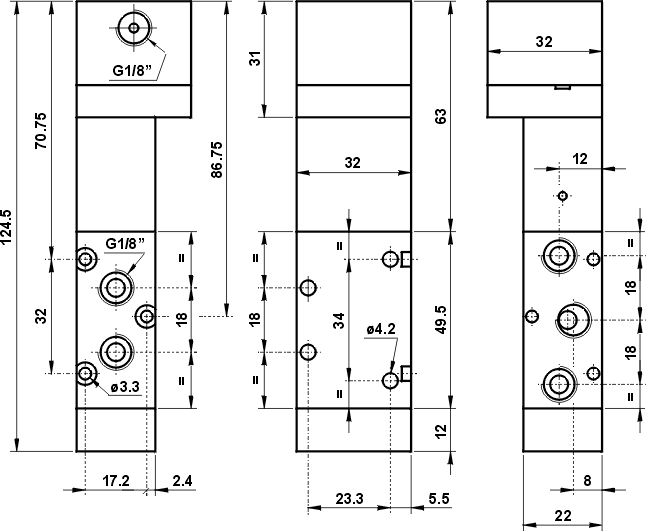
technical data
previous page


pdf

 

AUTOCAD ver 14. DWG

JPG  

ACIS - SAT

STEP