logo

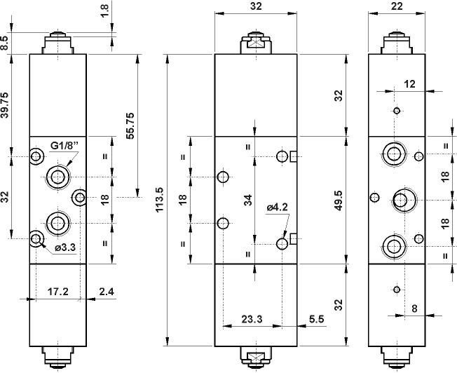
521 2PS




521 2PS




photo symbol

pdf


technical data
previous page

AUTOCAD ver 14. DWG

JPG  

ACIS - SAT

STEP