logo

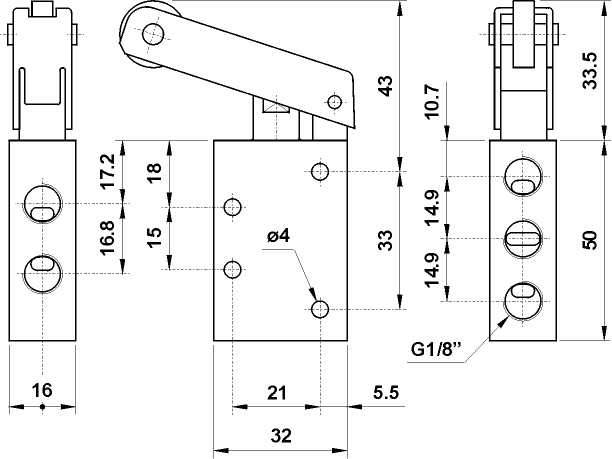
451 MRL





451 MRL

451 MRL


symbol

Actuating force: 14.21 N

technical data
previous page


pdf

 

AUTOCAD ver 14. DWG

JPG  

ACIS - SAT

STEP