logo

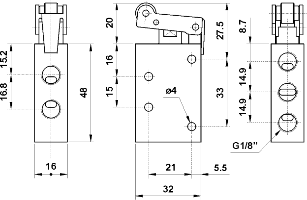
451 MR




451 MR

451 MR


symbol

Actuating force: 21.57 N

technical data
previous page


pdf

 

 

AUTOCAD ver 14. DWG

JPG  

ACIS - SAT

STEP