logo

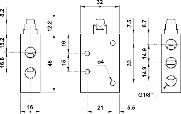
451 MP



451 MP


451 MP
symbol

Actuating force: 39.22 N

technical data
previous page


pdf

 

AUTOCAD ver 14. DWG

JPG  

ACIS - SAT

STEP