logo

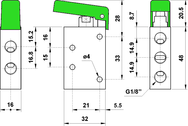
451 MGV






451 MGV


symbol

Actuating force: 13.73 N

technical data
previous page


pdf

 

AUTOCAD ver 14. DWG

JPG  

ACIS - SAT

STEP