logo

431 MR




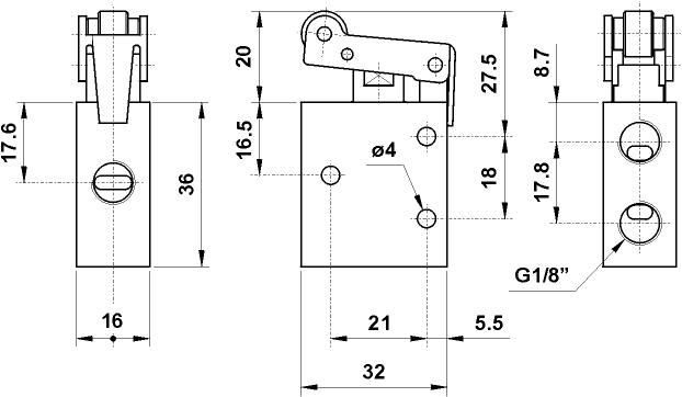
431 MR

431 MR


symbol

Actuating force: 9.81 N

technical data
previous page


pdf

 

AUTOCAD ver 14. DWG

JPG  

ACIS - SAT

STEP