logo

431 MP



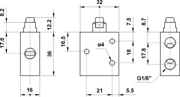
431 MP


431 MP


symbol

Actuating force: 19.61 N

technical data
previous page


pdf

 

AUTOCAD ver 14. DWG

JPG  

ACIS - SAT

STEP