logo

431 MGV






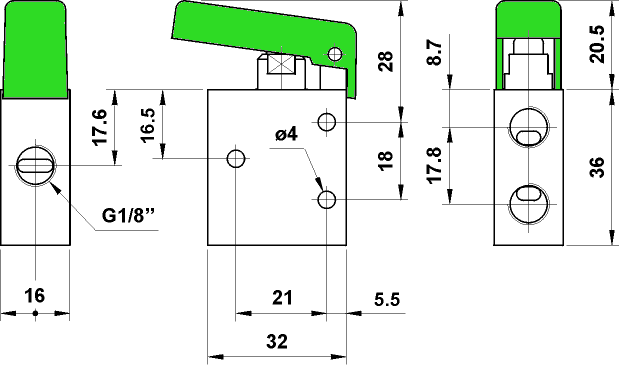
431 MGV


symbol

Actuating force: 7.84 N

technical data
previous page


pdf

 

AUTOCAD ver 14. DWG

JPG  

ACIS - SAT

STEP