logo 322 ME MIC 01    24V DC
322 ME MIC 02    24V 50/60Hz


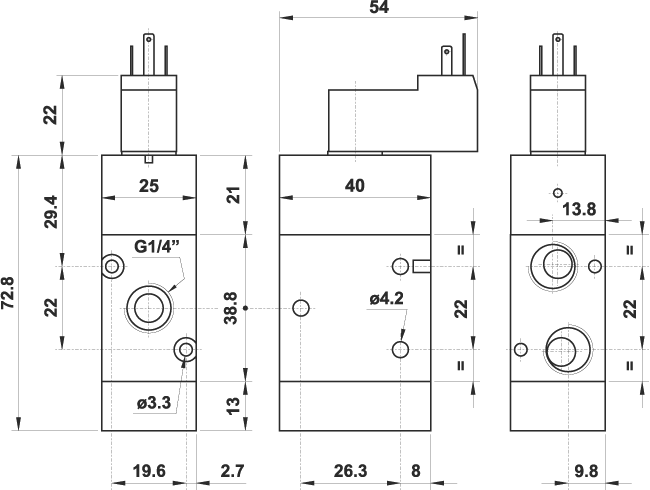
322 ME MIC

322 ME MIC

symbol

It cannot be used as normally open valve.
La valvola è venduta con elettropilota/i montato/i.

technical data
previous page


pdf