logo

321 MRU




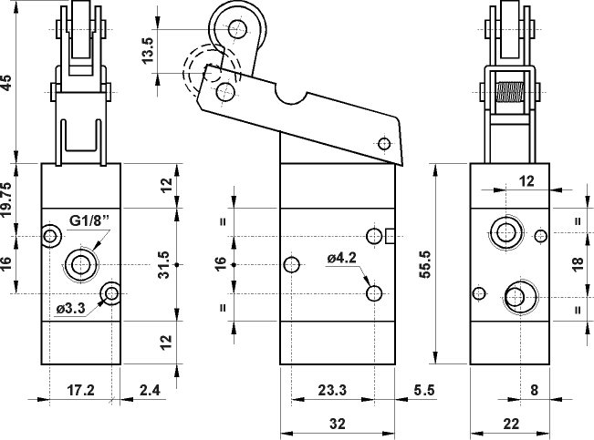
321 MRU

































photo symbol

pdf

      Actuating force: 9.81 N

       technical data
       previous page

 

 

 

 

 

 

AUTOCAD ver 14. DWG

JPG  

ACIS - SAT

STEP