logo

321 MBA




321 MBA






































photo symbol

pdf

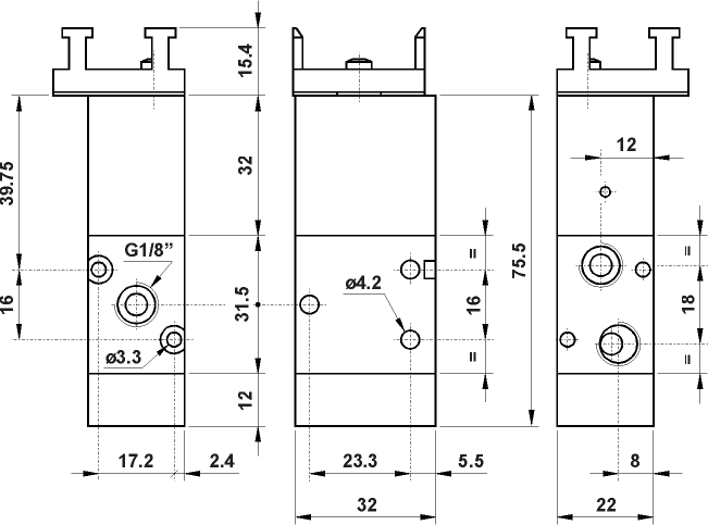
      technical data
      previous page

 

 

 

 

 

 

AUTOCAD ver 14. DWG

JPG  

ACIS - SAT

STEP