logo 321 EE MIC 01    24V DC
321 EE MIC 02    24V 50/60Hz


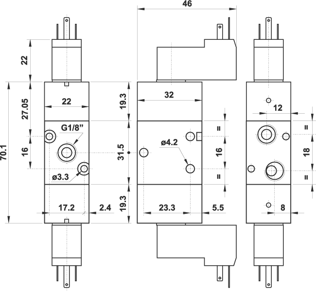
321 EE MIC

321 EE MIC

symbol

Only aluminium version.
La valvola è venduta con elettropilota/i montato/i.

technical data
previous page


pdf