logo

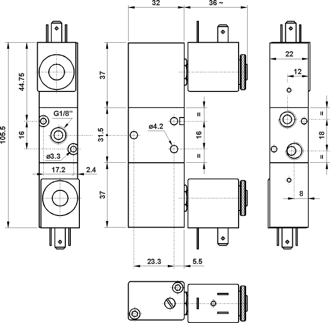
321 EE90 S




321 EE90 S









































photo symbol

Only aluminium version


      technical data
      previous page


pdf

 

 

 

 

AUTOCAD ver 14. DWG

JPG  

ACIS - SAT

STEP