logo

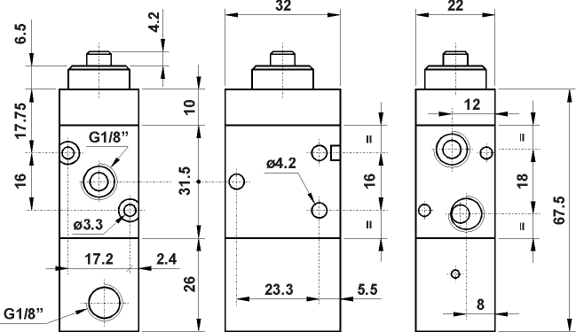
321 CP




321 CP






























photo symbol


pdf



       technical data
       previous page

 

 

 

 

AUTOCAD ver 14. DWG

JPG  

ACIS - SAT

STEP