logo 10.029.4
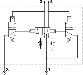
Pneumatic piloted oscillating valve G1/8" with NOT logic elements



osc 1/8 not com. pneumatico



photo                         symbol



previous page