logo 10.019.3
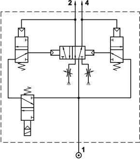
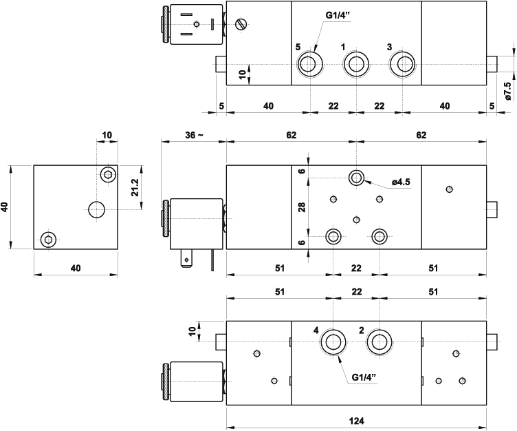
Solenoid actuated oscillating valve G1/4" with NOT logic elements



osc 1/4 not com. elettrico



photo                         symbol


The product is sold without coil, which is bought separately.

previous page