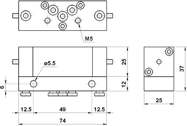
04.002.4
Bi-stable MEMORY element


technical data
- Ports: push-in fittings for ø4 tube
- Nominal orifice: 2.5 mm
- Nominal flow rate at 6 bar: 100 Nl/min
- Temperature range: max +60°C
- Actuating pressure a 6 bar: 1.5 bar
- Working pressure: 2 ... 10 bar
- Fluid: 50µ filtered, lubricated or non lubricated air
Materials
- Body: aluminium 11S
- Seals: NBR
- Springs: stainless steel
- Internal parts: brass OT58
previous page