logo 01.046.4
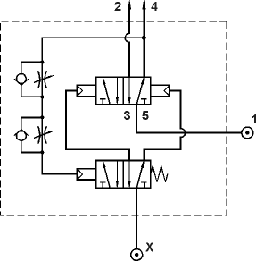
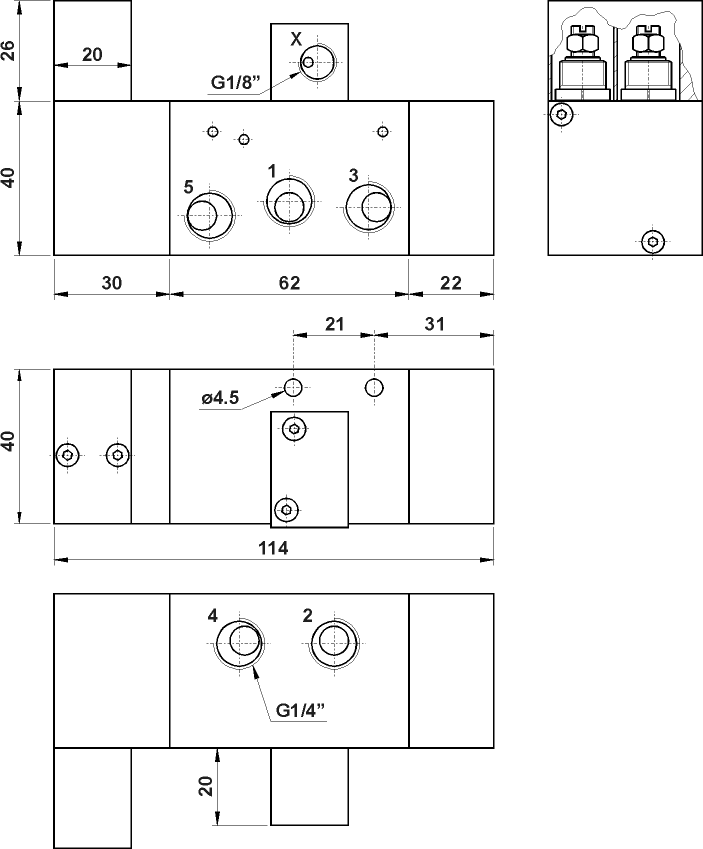
Pneumatically piloted oscillating valve
standard version

01.089.4
Pneumatically piloted oscillating valve
with re-start feature


osc comando pneumatico



photo                         symbol



previous page