logo 01.044.4
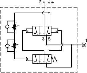
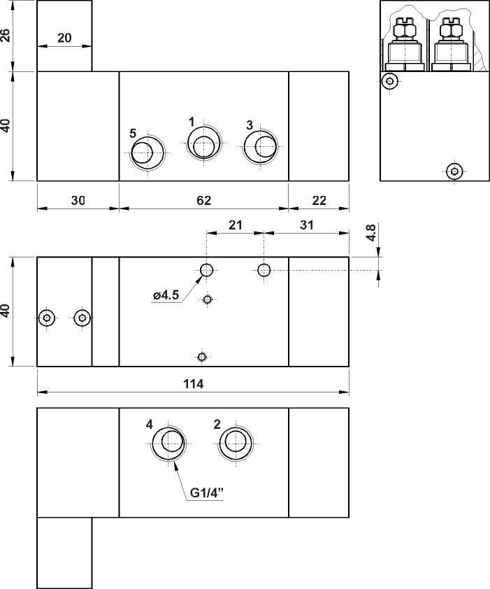
Oscillating valve - continuous cycle



osc ciclo continuo



photo                         symbol



previous page