logo 322 ANDM




322 ANDM





































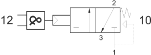
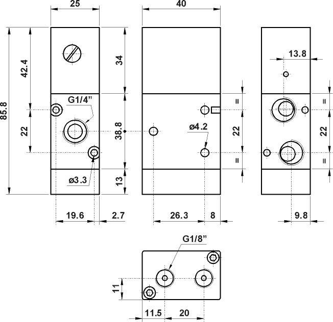
photo symbol       technical data
      previous page
Non puņ essere utilizzata come valvola normalmente aperta.


pdf

 

 

 

 

AUTOCAD ver 14. DWG

JPG  

ACIS - SAT

STEP