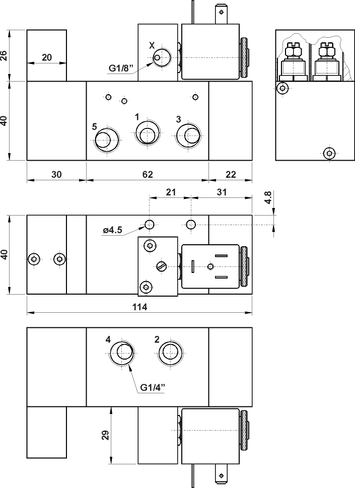
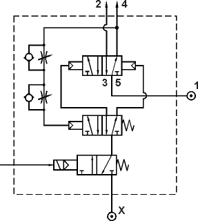
01.008.3
Oscillating valve - solenoid pilot with separate air supply
standard version
01.070.3
Oscillating valve - solenoid pilot with separate air supply
with re-start feature

The product is sold without coil, which is bought separately.
previous page